1310nm DFB
产品描述:
The DFB-1310-T5-6-A-A-A of Multi-Quantum Well (MQW) Distributed Feedback (DFB) lasers are well suited for low-cost high-speed transmitters.
The devices feature high output power, wide operating temperature range, and high side mode suppression.
Their uncooled, hermetically sealed, TO-56 style packages are a cost-effective means of providing a low-noise light source for intermediate-reach and long-reach digital transmission applications.
产品特色:
➢ Advanced Multiple Quantum Well (MQW) Distributed Feedback (DFB) Laser Design
➢ Cost-effective Uncooled Laser Technology
➢ SMSR typ. 40 dB
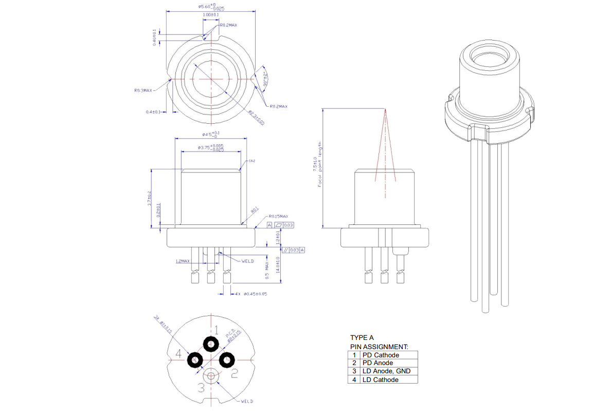
➢ 5.6-mm TO-style package
应用范围:
➢ CATV return path
极限工作条件:

光电特性:

外形图与针脚排布:

订购信息:

安全信息:
